| Sign In | Join Free | My wpc-board.com |
|
Brand Name : Zoli
Model Number : BMJ-01
Certification : ISO CE
Place of Origin : China
MOQ : 1pc
Payment Terms : L/C,T/T,Western Union
Supply Ability : 10000 per month
Delivery Time : within 15 days
Packaging Details : carton+Pearl wool+wood
Hardness : More than 6.0 mohs
Volume : 50ml
Inner Diameter : 38mm
Cooling System : Air Cooling
Lid Type : Screw-On
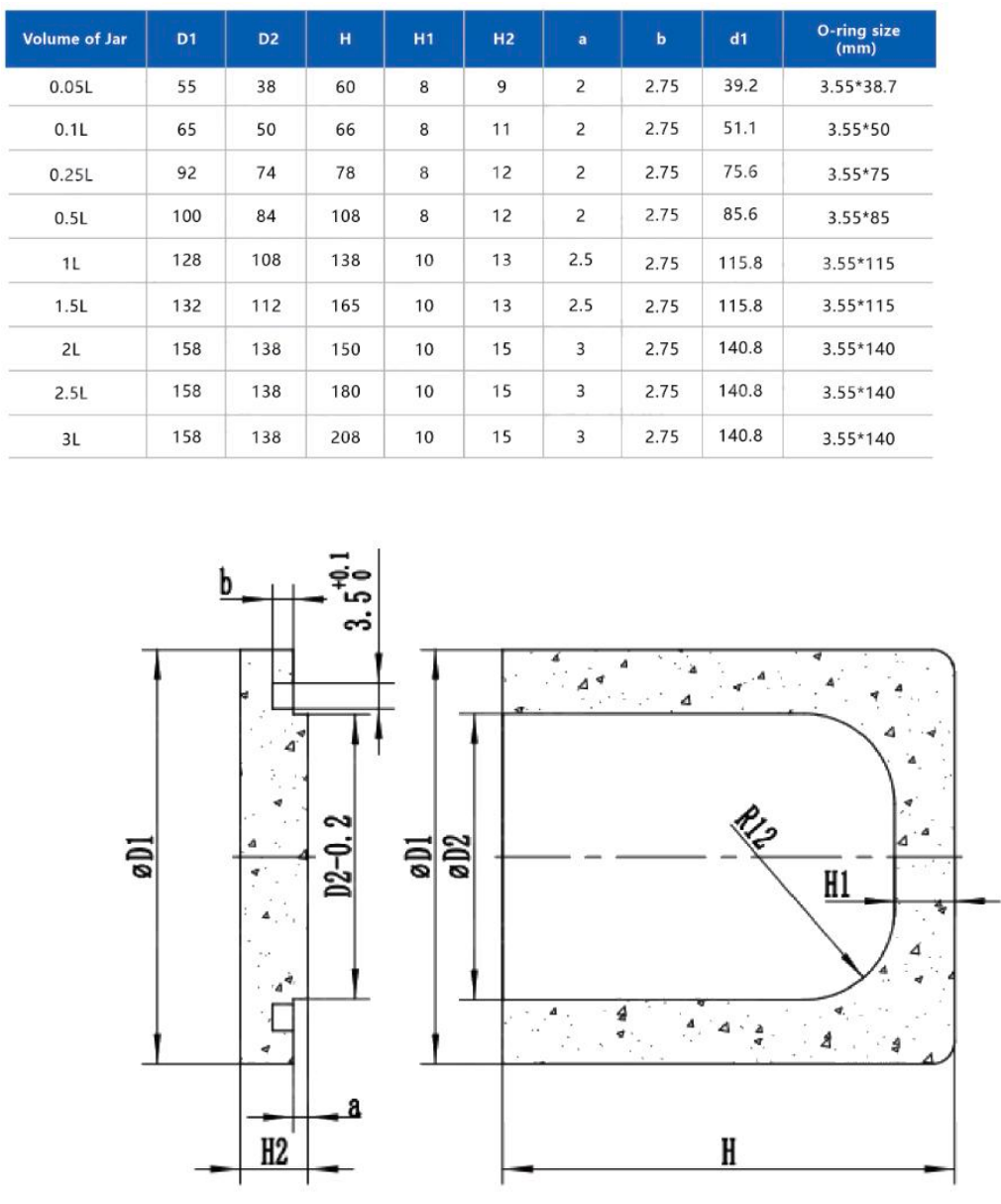
Jar Wall Thickness : 5 mm
Discharging Granularity : 0.1 micron minimum
Density : 6.05 g/cm³
Performance : Solvent resistance
Package : Individual Box
Grinding Material : soil, metal oxide,
Max Load Capacity : 2 kg
Max Feeding Capacity : 2/3 capacity of the grinding jar
Chamber Volume : 500 mL
Certifications : CE OSI
Material: Zirconium Oxide (ZrO₂)
Extreme Hardness & Wear Resistance: Zirconia is one of the hardest ceramic materials, making it ideal for grinding even the hardest materials (like silicon carbide, metals, etc.) with minimal contamination from the jar itself.


High Density: The high density of zirconia grinding balls provides significant impact energy, leading to faster and more efficient milling.
Excellent Corrosion Resistance: It is highly inert and resistant to acids and alkalis, making it suitable for wet milling with various solvents.
Low Contamination: Compared to other materials like stainless steel or nylon, zirconia offers very low levels of contaminating elements, which is critical for ceramic, electronic, and chemical research.
Type: Planetary Jar
This jar is designed for a planetary ball mill. These mills have a rotating disc (planet wheel) on which the jars are mounted. The jars themselves also rotate on their own axes in the opposite direction. This creates very high centrifugal forces, resulting in powerful grinding impacts.
Capacity: 2500ml
This is a relatively large capacity for a lab-scale planetary mill jar. It's used for:
Batch Production: Creating larger quantities of nano-powders or mixed materials.
Scale-Up Studies: Bridging the gap between small (50-500ml) R&D trials and industrial production.
It's crucial to never fill the jar more than 1/3 to 1/2 of its volume with material and grinding balls to allow for proper movement and impact.
These jars typically feature a robust, leak-proof sealing lid with a rubber O-ring (often made of Viton or NBR) to prevent dust or liquid from escaping during the high-energy milling process.
They are designed for easy loading and unloading of materials and grinding media.
This jar is used across a wide range of scientific and industrial fields:
Material Science: Synthesizing nano-composites, mechanical alloying of metals, and producing amorphous or quasicrystalline materials.
Geology & Mining: Powdering rock and mineral samples for XRF (X-ray Fluorescence) or other chemical analysis.
Pharmaceuticals: Creating nano-crystalline drugs for improved bioavailability or mixing active pharmaceutical ingredients (APIs) with excipients.
Electronics: Producing fine powders for ceramics used in capacitors, varistors, and other electronic components.
Chemistry: Facilitating chemical reactions through mechanochemistry (where reactions are induced by mechanical energy).
Paints & Pigments: Developing highly dispersed and uniform pigments.
Compatibility: CRITICAL. You must ensure this 2500ml zirconia jar is compatible with your specific brand and model of planetary ball mill (e.g., Retsch, Fritsch, MTI, Across International). Check the maximum jar size your mill can accommodate and the mounting mechanism.
Grinding Balls: You must use grinding balls of the same material (Zirconia) to avoid cross-contamination and excessive wear. You will need to purchase these separately in various sizes (e.g., 3mm, 5mm, 10mm) for optimal milling efficiency.
Filling Ratio: As mentioned, do not overfill the jar. A good rule of thumb is:
Total Volume of Grinding Balls: ~30% of jar volume.
Material to be Ground: Enough to fill the spaces between the balls, plus a small amount more.
For Wet Milling: The solvent should just cover the ball and powder mixture.
Cleaning and Maintenance: Zirconia is hard but can be brittle. Avoid sharp impacts. Clean with mild detergents and suitable solvents. Ultrasonic cleaners are often effective.
Cost: Zirconia jars are among the most expensive options due to the material's superior properties. They are an investment for high-precision, low-contamination work.
The 2500ml Planetary Zirconia Jar is a high-performance, durable, and low-contamination grinding container for demanding laboratory and small-scale production milling applications. Its large capacity and excellent material properties make it ideal for researchers and engineers working with hard, abrasive, or sensitive materials where purity and grinding efficiency are paramount. Always verify compatibility with your mill before purchasing.
|
|
Zoli Brand Lab Ball Milling Pots Tanks Rolling Planetary Ball Mill Jar Images |